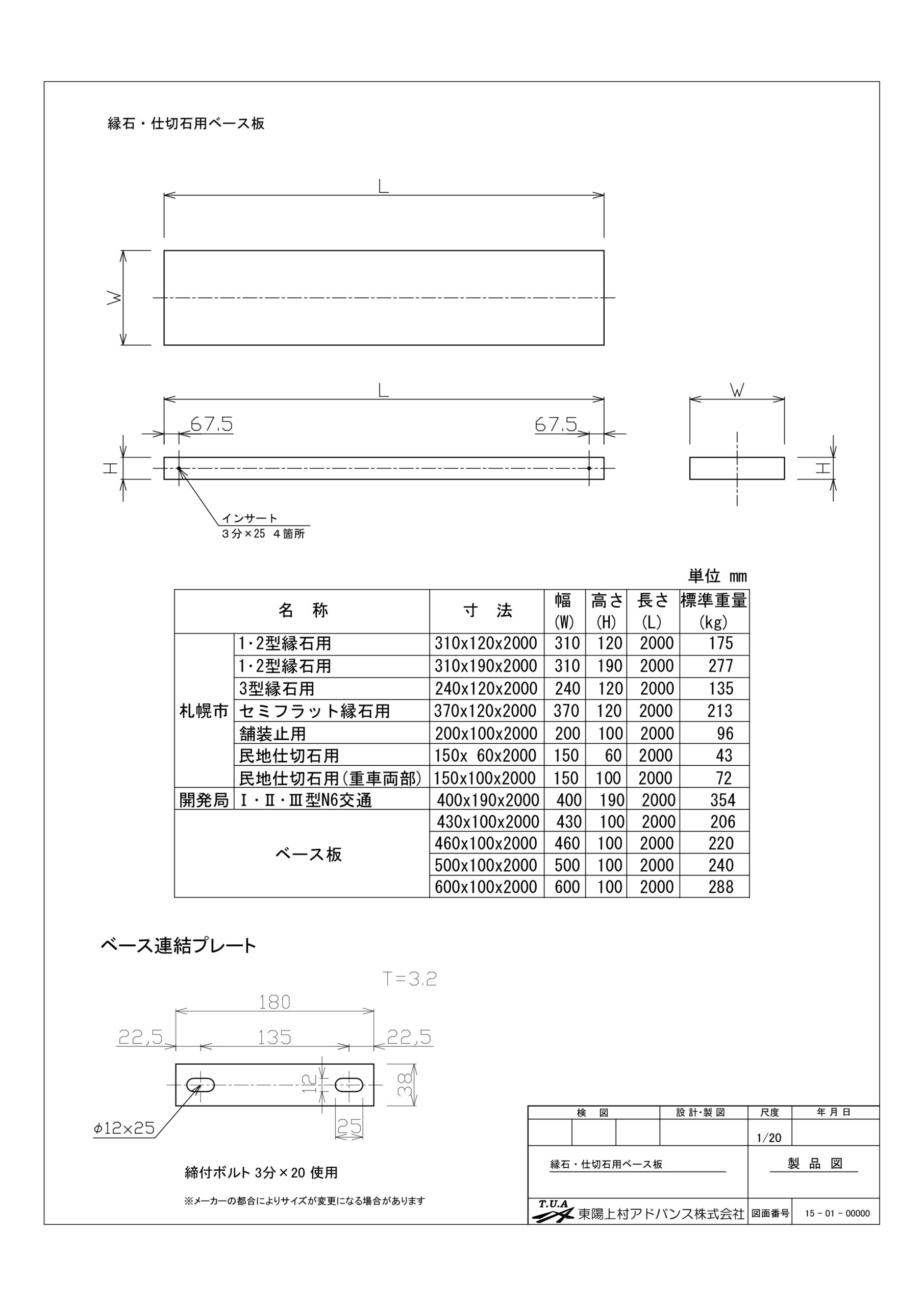
縁石・仕切石用ベース板 | 東陽上村アドバンス株式会社

採用情報

製品情報PRODUCTS

製品情報

縁石・仕切石用ベース板

基本情報

製品分類 縁石類 [ ふちいしるい ]
縁石・仕切石用ベース板 [ ふちいし・しきりいしようべーすいた ]
製品名 縁石・仕切石用ベース板

図面

PDF

CONTACT

製品に関することは、下記の電話番号か
お問い合わせフォームよりお問い合わせください